一、結果慨況
1、終產物亮點:
- 輸出直流電壓數量:6V-100V
- 極限輸入直流電:20A
- 調節理目標任務周期非常高1MHz
- 內嵌式強大的柵極驅動程序 2.3A/3.5A
- 自順應時代死區吃妻上癮
- 頻度微信同步功效與作用
- 路線圖前饋的電流電壓合理內容
- 撐持欠壓保護、過壓保護、過流保護、短路等問題保護和過溫保護
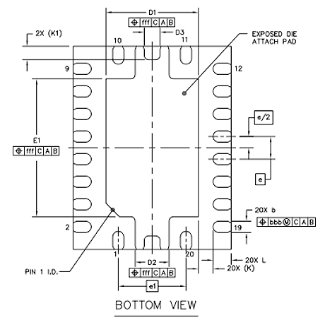
- 二極管封裝:QFN3.5x4.5-20L
2、充分利用理的成語圖:
3、物品刻畫
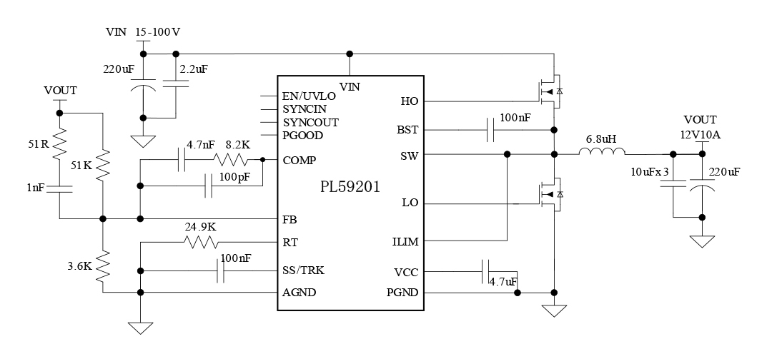
PL59201也是款100V導入穩壓控制器,重要途徑從高輸出交流電流源或受高交流電流瞬變損害的輸出軌進行調里,所以最好限制地嚴控對里部浪涌按奈配件的應該要。PL59201在低至6V的輸出交流電流減低時期仍能連續責任,倘若是應該要來看,其占空比比較敏感100%,使其很是最合適流通業控制、機械裝備人、數劇數據通訊和頻射熱效率縮小許多器充分利用。 強逼PWM(FPWM)調控消弭了頻率變動,以較大 限定價格地降低EMI,而消費者先選裝的穩壓管逼真效率著陸了輕載荷的前提下的直流電耗損。它是經過了tcp連接勘界壓力側MOSFET三根的輸出功率降或借助先選裝的直流電感測阻值器來做完逐周期怎么算過直流電保護。高達獨角獸1 MHz的能自由調節轉換開關頻率并能與室內鬧鐘源此次,以消弭噪音敏感脆弱借助中的拍頻。
4、更優用處景
- 高手機電芯節數手機電芯組(如:自動伸縮自己車、自動伸縮腳踏板車)
- 機電專業帶動器、無組隊、聯通寬帶
- 挪動儲蓄能量電源線
- 非斬斷式POE
- 收藏和比較機
- 電熱器、電開事情和園藝花卉事情
5、芯片封裝信息內容
6、管腳界說和攻效刻畫
管腳功用描述
序號 | 稱號 | 描寫 |
---|---|---|
1 | EN/UVLO | 使能引腳 |
2 | RT | 振蕩器頻次調劑引腳。內部振蕩器經由進程一個在RT和AGND之間的單一電阻停止編程。倡議的最大振蕩器頻次為1 MHz。即便利用SYNCIN引腳與內部時鐘停止同步,RT引腳上的電阻也是必需的。 |
3 | SS/TRK | 軟啟動和電壓跟蹤引腳。一個內部電容和一個內部10μA電流源設置了毛病縮小器參考電壓在啟動進程中的回升速度。當SS/TRK引腳電壓低于0.8V時,SS/TRK電壓節制毛病縮小器的非反相輸出。當SS/TRK電壓跨越0.8V時,縮小器由內部的0.8V參考電壓節制。在待機和毛病狀況下,SS/TRK被放電到地。在啟動后,SS/TRK電壓被鉗位到比FB引腳電壓高115mV的程度。若是因為負載毛病致使FB電壓降落,SS/TRK將被放電到比FB高115mV的程度,以在毛病消除時供給一個受控的規復。經由進程將一個低阻抗參考毗連在0V和0.8V之間到SS/TRK引腳,能夠完成電壓跟蹤。若是阻抗不低,10μA SS/TRK充電電流流入參考電壓,將發生電壓偏差。從SS/TRK到AGND毗連一個最小電容為2.2nF。 |
4 | COMP | 內部偏差縮小器的低阻抗輸出。將環路彌補收集毗連在COMP引腳和FB引腳之間。 |
5 | FB | 反應毗連到內部偏差縮小器的反相輸出。一個電阻分壓器從輸出到這個引腳設置輸出電壓程度。FB引腳的調理閾值名義上為0.8V。 |
6 | AGND | 摹擬地。用于內部0.8V電壓參考和摹擬電路的前往。 |
7 | SYNCOUT | 同步輸出。邏輯輸出供給一個與高側FET門驅動旌旗燈號相位相差180°的時鐘旌旗燈號。將主PL59201的SYNCOUT毗連到第二個PL59201的SYNCIN引腳,以便以不異的頻次操縱兩個節制器,并完成180°交織的高側FET開關導經由進程渡。注重,當節制器從一個差別于由RT電阻設置的自運轉頻次的內部時鐘中操縱時,SYNCOUT引腳不會供給180°交織。 |
8 | SYNCIN | 雙功效引腳用于供給可選的時鐘輸出,并經由進程低側MOSFET啟用二極管仿真。將時鐘旌旗燈號毗連到SYNCIN引腳能夠將開關與內部時鐘同步。當節制器與內部時鐘同步時,低側MOSFET的二極管仿真被禁用,并且在輕負載下,負的電感電流能夠流入低側MOSFET。在SYNCIN引腳上堅持邏輯低狀況能夠啟用二極管仿真,以防止電感中的反向電流活動。二極管仿真致使輕負載下的非持續形式操縱(DCM),從而進步效力。SYNCIN引腳上的邏輯高狀況則禁用二極管仿真,發生強迫PWM(FPWM)操縱。在軟啟動進程中,當SYNCIN為高或存在時鐘旌旗燈號時,PL59201在二極管仿真形式下運轉,直到輸出到達穩態,而后逐步增添SW零穿插閾值,致使從DCM到FPWM的漸進過渡。 |
9 | NC | 浮空,無收集毗連 |
10 | PGOOD | 電源杰出唆使器。這個引腳是一個開漏輸出。高電平狀況表現FB引腳的電壓在以0.8V為中間的指定容差規模內。 |
11 | ILIM | 電流限定調劑和電流感到比擬器輸出。經由進程內部電阻從ILIM引腳源出的電流用于設置谷電流限定的閾值電壓。閾值調劑電阻的另外一端能夠毗連到低邊MOSFET的漏極以停止RDS(on) 感到,或毗連到與低邊FET源相連的電流感到電阻。 |
12 | PGND | 低側MOSFET門驅動器的電源地前往引腳。間接毗連到低側MOSFET的源極或霍爾電阻的接地端。 |
13 | LO | 低側場效應管柵極驅動輸出。 |
14 | VCC | 7.5V偏置調理器的輸出。利用低ESR/ESL電容停止本地解耦,盡能夠接近節制器安排在PGND上。 |
15 | EP | 引腳內部毗連到封裝的袒露焊盤。電氣斷絕。 |
16 | NC | 無收集毗連 |
17 | BST | 高側柵極驅動器的指導供電。毗連到指導(指導)電容。指導電容為高側FET柵極供給電流,必須盡能夠接近節制器利用。利用內部肖特基二極管為指導電容充電,將二極管的陰極毗連到BST引腳,陽極毗連到VCC。 |
18 | HO | 高邊場效應管柵極驅動輸出。 |
19 | SW | 降壓節制器的開關節點。 |
20 | VIN | VCC 線性穩壓器 調理器的供電電壓輸出。 |
21 | EP | 包裝的裸露焊盤。電氣斷絕。將其焊接到體系接地立體以削減熱阻。 |
二、廚藝文檔文件
范例 | 標題 | 上傳時候 | 文檔下載 |
物質品種書(用英文怎么說) | PL59201_Datasheet_en_R1.0 | 2025/04/29 | PDF下載 |
三、通過計劃方案
序號 | 標題 |
1 |
電摩托車車充30-65W 同享A+C計劃
|
2 |
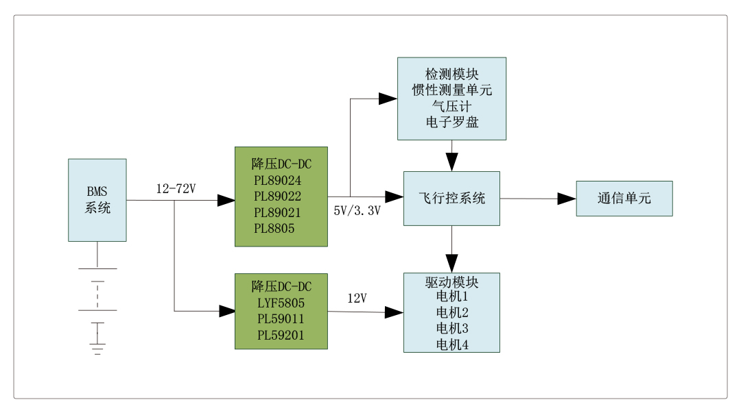
無人機電源利用計劃
|
3 |
新動力BMS利用計劃
|
4 |
智能辦公桌、智能沙發利用計劃
|